D1446.01
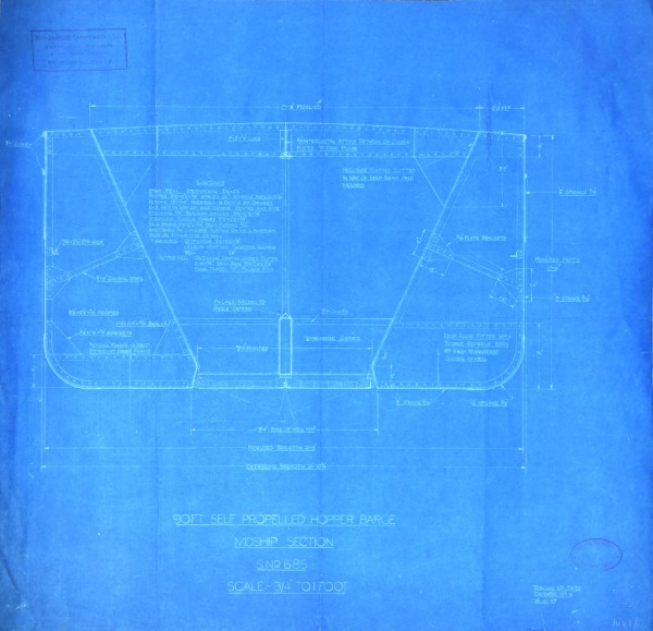
90ft self propelled hopper barge S.No. 685. Midship section
Description
Boat Building Drawing. Shows details of Scantlings in section
Date
1947
Reference code
D1446.01
Extent & medium
570mm x 540mm
3/4" = 1ft
Blue Print
3/4" = 1ft
Blue Print




